
| Ondia | |
|---|---|
|
|
|
Marque: Ondia |
Type:75 |
Année 1938 |
alternatif transfo 110-240 V |
Tubes: 6E8, 6K7, 6Q7, 5Y4, 6V6 et 6AF7g |
Type: Octal |
Gammes d'ondes: 2 gammes. GO, PO |
|
Jolie petite radio de 1938 que nous avons déniché dans un vide grenier à Chatillon sur Seine.
Nous avons bien entendu discuté du prix avec la dame qui le vendait et quand nous sommes arrivés sur une valeur à la convenance des deux parties, nous sommes partis avec.
Malgré sa forme qui n’est pas courante, avec un joli cadran rond, cette radio a un jeu de lampe très standard.
Voici le jeu du constructeur
6E8 en oscillateur et mélangeur
6K7 Amplificateur Moyenne fréquence
6Q7 Détection et Ampli Basse fréquence
6F6 Ampli de puissance
5Y3 Valve d’alimentation
Or j’ai bien une 6E8, 6K7, 6Q7
Pour la puissance j’ai une 6v6gt
Pour la valve une 5Y4
Et en plus une 6AF7g pour l’indicateur visuel, ou l’œil magique comme vous voulez
Tout ceci ressemble à un modèle quasi unique de chez ondia, qui a été modifié pour une commande spécifique.
La 5y4 n’a pas de différence technique sauf le brochage de la résistance de chauffe et de l’anode 1 donc il est très facile à modifier la connectique pour utilisé l’un ou l’autre tube.
La 6F6 et la 6V6 sont identiques au niveau brochage et technique sauf que la 6f6 a une puissance de 3.2 w sous 4Ω contre 4,5w toujours sous 4Ω pour la 6F6 se qui ne change pas grand-chose.
Pour la 6AF7g, il est très facile de connecté un œil magique sur une radio qui n’en était pas pourvu.
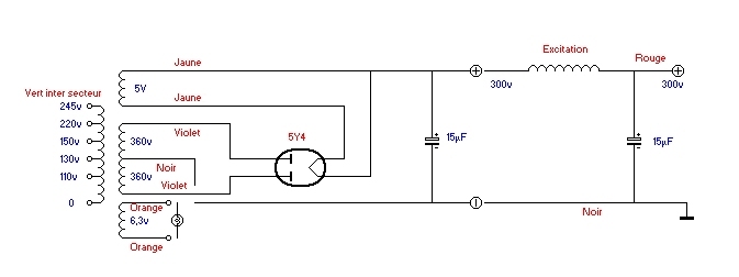
Il y a un condensateur de 16µf et 8µ 400v en forme de tube connecté à la bobine d’excitation, mais vu l’état des fils il est impossible de dire si c’est le 8µf ou le 16µf au primaire de cette self, de toute façon le tube 5Y3GB ou le 5Y4GB supporte très bien un condensateur de 2x15µf 400v donc je ne vais pas faire de recherche à se niveau, en plus l’alimentation ne sera que mieux filtré.
Le potentiomètre est directement connecté sur la grille supérieure(ou la capsule) du tube 6Q7g, et on trouvera le condensateur de liaison sur la anode de se dernier et la grille 1 de la 6V6g qui a une valeur de 10nf.
On n’oublie pas de changer le câble de liaison qui est blindé, car j’ai déjà eu de mauvaise surprise avec ses vieux câbles ou l’isolation n’était plus, ce qui avait pour but de mettre mon point chaud à la masse, donc pas à réfléchir on change !
Brochage du transfo d’alimentation avec la valeur des spires

110V 11 Ω
130V 12 Ω
150V 19 Ω
220V 30 Ω
245V 34 Ω
6 ,8V 4 Ω
365V 375 Ω
5,3V 3 Ω

Repérage des tubes sur le châssis

Voici une photo de toutes les pièces démontées, nettoyées, et repeintes.

Le remontage ne pose aucun problème, on change tous les condensateurs, et tout les fils qui sont défectueux.
J’ai changé tout les fils de l’alimentation, du transfo au tube 5Y4.

Voici le schéma en détail avec la couleur des fils

On fera bien attention de ne pas inverser l’accord avec la réaction du CV

Gris accord et jaune réaction
J’ai testé tout les tubes au lampemètre.
Tous sont bon sauf la 6Q7 qui est douteuse mais vu la valeur de l’usure, le seul effet qu’il peut y avoir, c’est une petite faiblesse au niveau puissance du son.
Les essais se sont bien déroulés, et cette jolie radio a chanté du premier coup et sans problèmes et aucune surchauffe anormal.
La caisse en bois c'est un tout petit peu plus compliqué.
En effet on dirait que le plaquage a été brûlé voir même décoller.
Là pour le remettre en état je n’ai pas le choix d’enlever tout le plaquage et d'en remettre du neuf, or ici je n'ai pas du tout ce qu'il me faut pour pouvoir le faire.
Donc je vais remonter la radio, je ne vais pas toucher à la caisse en bois, je vais la laisser telle quelle et je verrai ça quand je serai dans ma maison.
Voici une petite radio restaurée à 90/100 qui va rejoindre ma collection, elle est pleine de charme avec son écran rond.
Une petite vidéo pendant la restauration et une fois terminée pour montrer son bon fonctionnement.
Oups j'ai simplement oublié de faire cette petite vidéo
Ce week end je la fais comme je rentre chez moi
Septembre 2014